Product Overview
The KJT K-TZ Series is designed for high-temperature applications, operating reliably in environments up to 400°C. It features ceramic insulation, heat-resistant springs, and special alloy contacts, ensuring stable electrical performance and long service life under extreme heat and vibration.
Key Features
High-temperature resistance: Operating range -65°C to +400°C
Reliable contacts: Alloy contacts with low resistance (≤100 mΩ)
Ceramic insulation: Excellent heat and arc resistance, insulation ≥100 MΩ
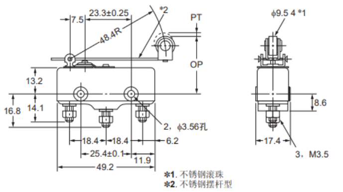
Multiple actuator options: Plunger, rocker, and roller rocker types
Long lifespan: ≥100,000 mechanical cycles; ≥50,000 electrical cycles
Protection rating: IP00 (protective cover recommended in dusty or humid environments)
Main Technical Parameter
Rated electrical specifications

Rated Voltage | Load Type | Rated Current (A) |
AC 125V | Resistive Load | 10 |
AC 250V | Resistive Load | 1 |
DC 8V~30V | Resistive Load | 1 |
DC 125V | Resistive Load | 0.4 |
Parameter | Specification |
Operating Speed | 0.05 mm/s ~ 1 m/s |
Operating Frequency | Mechanical: 60 times/minute; Electrical: 20 times/minute |
Dielectric Strength | Between terminals: AC1000V/1min; Between live parts and ground: AC1500V/1min |
Vibration Resistance | 10~55Hz, Double amplitude 1.5mm |
Shock Resistance | During operation: ≤300m/s²; Non-operation: ≤500m/s² |
Contact Material | Special high-temperature resistant alloy |
Weight | Approximately 45~54g |
Safety Instructions & Installation Recommendations
⑴ Safety Precautions
Ensure power is disconnected before installation.
Use M3.5 stainless steel screws with flat washers/spring washers for fixation, torque: 0.69~0.98N·m.
Avoid dropping the switch from a height exceeding 30cm to prevent ceramic housing damage.
⑵ Installation Recommendations
The actuator and stopper should be vertically aligned.
Avoid excessively slow or fast operating speeds; ensure it is within the rated range.
Over-travel (OT) should be set within 70%~100% of the rated value.
Do not use in corrosive environments containing silicon gas, hydrogen sulfide, ammonia, etc.
⑶ Environmental Protection
Non-waterproof structure; install a protective cover in occasions with oil/water splashing.
Prevent chips and dust from accumulating on the actuator and body.
Avoid long-term exposure to hot water or steam environments above 60℃.